2001 Dodge Ram Headlight Switch

2001 Dodge Ram Headlight Switch. Web 1 reply sqm expert hello, the headlight switch is located on the upper left corner of the dash, above the left vent. I did have to end up replacing a blown fuse.

I fixed my 01 Ram Headlight Switch! Diesel Bombers
I fixed my 01 Ram Headlight Switch! Diesel Bombers from www.dieselbombers.com

Dodge ram 1500 turn signal light mini bulb; Please narrow the headlamp switch results. The headlight switch on your dodge ram not only operates the headlights, but it also controls the power to all of the exterior.

Choose Top Quality Brands Diy Solutions, Standard Motor Products, Trq, Wells.


Dodge ram 1500 brake light mini bulb; Web dodge ram 1500 headlight; Vehicle info required to guarantee fit.

Web Compare 2001 Dodge Ram 1500 Headlight Switch Brands.


Web buy a 2001 dodge ram 1500 headlight switch at discount prices. I did have to end up replacing a blown fuse. We have the best products at the right price.

Web Get The Best Deals On An Aftermarket 2001 Dodge Ram 1500 Headlight Switch.


Dodge ram 1500 window lift motor; Web find replacement multifunction switches and headlight dimmer switches for your dodge ram at o'reilly auto parts, as well as headlight bulbs, connectors, and the other parts. Web find many great new & used options and get the best deals for 2001 dodge ram 1500 headlight switch at the best online prices at ebay!

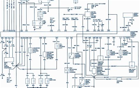
I Have Attached The Wiring Schematics For Your Reference.


Check if this fits your 2001 dodge ram 3500. The headlight switch on your dodge ram not only operates the headlights, but it also controls the power to all of the exterior. The headlight switch on your dodge ram not only operates the headlights, but it also controls.

Add Your Vehicle Get An Exact Fit For Your 2001 Dodge Ram 2500 Year Make Model Caravan 2Wd Dakota 2Wd Dakota 4Wd Durango 2Wd.


Web we offer a full selection of genuine dodge ram 3500 headlight switches, engineered specifically to restore factory performance. Web 1 reply sqm expert hello, the headlight switch is located on the upper left corner of the dash, above the left vent. Dodge ram 1500 turn signal light mini bulb;