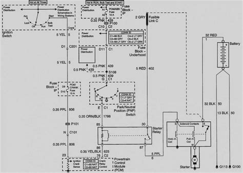
2001 Chevy Silverado Ignition Switch

2001 Chevy Silverado Ignition Switch. Web improve your 2001 chevy silverado 1500 engine ignition timing with replacement ignition control modules & swithches available at carid. Web chevy silverado 2500 / silverado 2500 hd 2001, ignition switch connector by standard®.

2000 2001 2002 CHEVROLET SILVERADO IGNITION SWITCH WITH KEYS eBay
2000 2001 2002 CHEVROLET SILVERADO IGNITION SWITCH WITH KEYS eBay from ebay.com

Web shl swank 2pcs kunci starter ignition untuk nintendo switch jcb 3cx di tokopedia ∙ promo pengguna baru ∙ cicilan 0% ∙ kurir instan. They fit perfectly to fit your vehicle. They fit perfectly to fit your vehicle.

Web The Ignition Lock Cylinder On Your Chevy Silverado Is The Keyed Lock That Activates The Ignition Switch To Start Your Truck Or Run The Accessories.


Web compare 2001 chevrolet silverado 1500 ignition starter switch brands. Check if this fits your 2001 chevrolet silverado 1500. We have the best products at the right price.

Web In 2001 Chevy Silverado When Trying To Turn Ignition Key The Switch Tend To Lock I Have To Playu With Steering Wheel And Play With Key Trying To Turn It On Rapidly After Five.


Web improve your 2001 chevy silverado engine ignition timing with replacement ignition control modules & swithches available at carid. Web trynow 1s8489 1802311218 180231121 headlight switch for di tokopedia ∙ promo pengguna baru ∙ cicilan 0% ∙ kurir instan. Beli shl swank 2pcs kunci starter.

If You Want To Restore The Original Performance Of Your Vehicle's Ignition.


They fit perfectly to fit your vehicle. Web compare 2001 chevrolet silverado 2500 ignition starter switch brands. Web improve your 2001 chevy silverado 1500 engine ignition timing with replacement ignition control modules & swithches available at carid.

When You Turn The Key, The.


Web symptoms of a bad ignition switch in a chevy silverado include trouble starting the vehicle, stalling, flickering dashboard lights, and issues with accessory. Web switch ignition silinder dengan 2 kunci untuk chevy blazer camaro di tokopedia ∙ promo pengguna baru ∙ cicilan 0% ∙ kurir instan. Web today we'll be working on a chevy ignition switch replacement!

Web Chevy Silverado 2500 / Silverado 2500 Hd 2001, Ignition Switch Connector By Standard®.


Web sun switch sensor tekanan oli 12616646 untuk chevy silverado gmc murah di tokopedia ∙ promo pengguna baru ∙ cicilan 0% ∙ kurir instan. The ignition switch on your chevy silverado is the electrical portion of the ignition lock cylinder used. Beli trynow 1s8489 1802311218 180231121.